Loading...

製品情報

入浴用電動リフト(アンカー固定タイプ) BS-700AK

アイコン:made in JAPAN
イメージ:入浴用電動リフト(アンカー固定タイプ) BS-700AK

在来工法の一般浴槽から大浴場まで設置可能な入浴用電動リフト

アンカーボルト固定の簡単工事ですっきりコンパクト設計です。

製品の特徴

電気工事不要

着脱式のリチウムイオンバッテリーを採用しておりますので電気工事不要です。
既存浴室への後付け設置が容易となり、導入時のハードルを下げることができます。

<br />
<b>Warning</b>:  Trying to access array offset on int in <b>/home/xs312937/iura.co.jp/public_html/manage/wp-content/themes/iura/single-products.php</b> on line <b>173</b><br />

位置決めがスムーズ

中間アームの動きにより、ご利用者の位置を調整しやすい構造で、入浴やシャワーキャリーへの着座、セパレートキャリーの接続がスムーズに行えます。

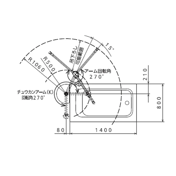
在来工法浴槽へ設置可能

旋回範囲が広いため、一般浴槽から大浴場まで設置が可能です。
※レイアウトによって設置できない場合がございます。「設置可能な浴室、浴槽について」をご確認下さい。

<br />
<b>Warning</b>:  Trying to access array offset on int in <b>/home/xs312937/iura.co.jp/public_html/manage/wp-content/themes/iura/single-products.php</b> on line <b>173</b><br />

部分機能

高さ制限機能

ご利用場所の天井高さに応じて、あらかじめアームの上限を設定できます。

<br />
<b>Warning</b>:  Trying to access array offset on int in <b>/home/xs312937/iura.co.jp/public_html/manage/wp-content/themes/iura/single-products.php</b> on line <b>173</b><br />

昇降加速機能

無負荷時、昇降ボタンと同時に加速ボタンを押すとスピードがアップします。準備や片付けの時間が短縮します。

メモリー機能

入浴時やシャワーキャリーなどの高さをあらかじめ2ヵ所設定できます。

ハンガー

吊り具の抜け止めがついていますので、より安全な移乗をサポートします。

<br />
<b>Warning</b>:  Trying to access array offset on int in <b>/home/xs312937/iura.co.jp/public_html/manage/wp-content/themes/iura/single-products.php</b> on line <b>173</b><br />

安全装置

緊急停止ボタン、非常降下スイッチ、挟み込み防止装置を標準装備しています。

設置可能な浴室・浴槽について

現場確認のご依頼も承っております。お気軽にお問合せください。

<br />
<b>Warning</b>:  Trying to access array offset on int in <b>/home/xs312937/iura.co.jp/public_html/manage/wp-content/themes/iura/single-products.php</b> on line <b>173</b><br />
<br />
<b>Warning</b>:  Trying to access array offset on int in <b>/home/xs312937/iura.co.jp/public_html/manage/wp-content/themes/iura/single-products.php</b> on line <b>173</b><br />

設置イメージ

 

<br />
<b>Warning</b>:  Trying to access array offset on int in <b>/home/xs312937/iura.co.jp/public_html/manage/wp-content/themes/iura/single-products.php</b> on line <b>173</b><br />

設置工事について

※工事は当社では行っておりません。

<br />
<b>Warning</b>:  Trying to access array offset on int in <b>/home/xs312937/iura.co.jp/public_html/manage/wp-content/themes/iura/single-products.php</b> on line <b>173</b><br />
<br />
<b>Warning</b>:  Trying to access array offset on int in <b>/home/xs312937/iura.co.jp/public_html/manage/wp-content/themes/iura/single-products.php</b> on line <b>173</b><br />

製品仕様

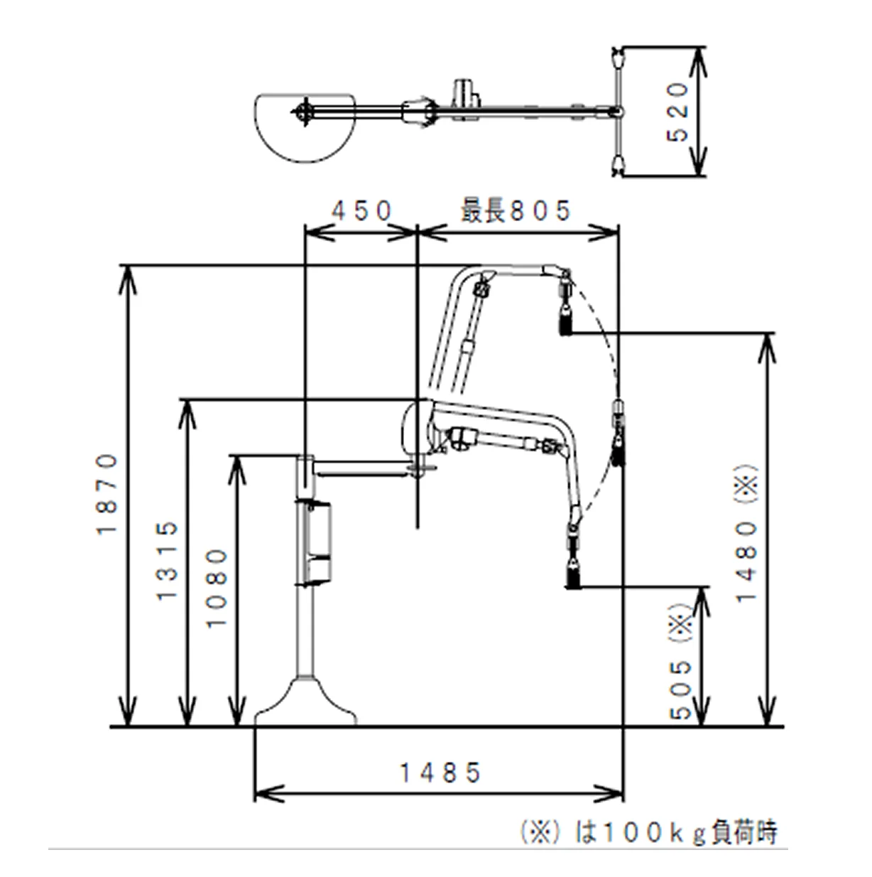
寸法

諸元表

BS-700AK

  • JANコード:4543085070538
  • TAISコード:00084-000166
イメージ:入浴用電動リフト(アンカー固定タイプ) BS-700AK
BS-700AK(アンカー固定タイプ)
価格 本体¥760,000-(非課税)
全長 1485mm
全幅 520mm
全高 1315~1870mm
吊上げ高さ(ハンガーフック部) 505~1480mm(100㎏負荷時)
上昇時間 約28秒(100㎏負荷時)
下降時間 約20秒(100㎏負荷時)
昇降回数 約50回(100㎏負荷時)
重量 約37㎏
最大持ち上げ質量 100㎏
備考 ※吊り具は別途お買い求めください。

関連製品

資料請求 お問い合わせ